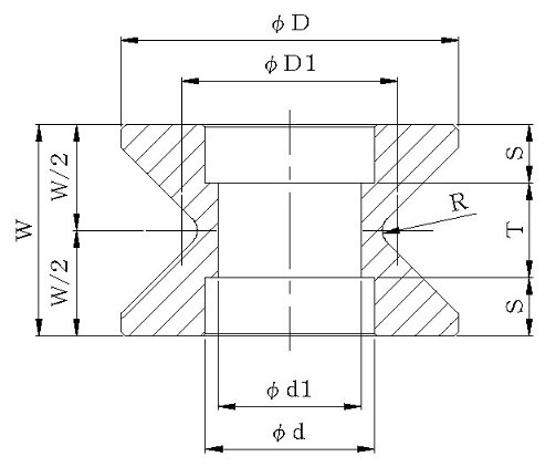
Y型 溝付ローラー
Y型 溝付ローラー 寸法表
型 式
D
W
D1
d
d1
S
T
R
定 価
Y30
30
15
22
16
14
6.5
2
1
-
Y49
49
30
34
24
20
8
14
2
-
Y64
64
40
41
32
23
11
18
3
-
Y78
78
55
48
35
24
13
29
4
-
※矯正装置には 全て当社V型ローラー
(焼入れHRC60°)
を使用しています。
※標準以外の異なる線径も承りますので ご相談ください。
※型式をクリックすると参考図面が閲覧出来ます。
株式会社 鈴城製作所
〒216-0042
神奈川県川崎市宮前区南野川 1-31-17
TEL 044-777-2932
FAX 044-777-2914