V型 溝付ローラー 寸法表
V13・V20・V30 形状
|
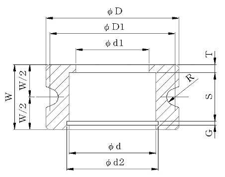
V49・V63・V73 形状
|
 |
 |
| 型 式 |
D |
W |
D1 |
d |
d1 |
d2 |
G |
S |
T |
R ( )内は線径 |
定 価 |
| V13-□ |
13 |
4.8 |
11 |
8 |
- |
- |
- |
- |
- |
0.15(0.3)
0.25(0.5) |
- |
| V20-□ |
20 |
7.8 |
18 |
13 |
- |
- |
- |
- |
- |
0.25(0.5), 0.5(1.0),
0.75(1.5), 1.0(2.0) |
- |
| V30-□ |
30 |
9 |
28 |
19 |
- |
- |
- |
- |
- |
1.0(2.0), 1.5(3.0)
2.0(4.0) |
- |
| V49-□ |
49 |
24 |
46 |
32 |
27 |
33.7 |
1.35 |
18 |
3 |
2.0(4.0), 2.5(5.0)
3.0(6.0), 3.5(7.0) |
- |
| V63-□ |
63 |
28 |
58 |
35 |
30 |
37 |
1.75 |
20 |
4 |
4.0(8.0), 4.5(9.0)
5.0(10.0), 5.5(11.0) |
- |
| V73-□ |
73 |
32 |
69 |
42 |
37 |
45 |
1.95 |
24 |
4 |
6.0(12.0), 6.5(13.0)
7.0(14.0), 7.5(15.0) |
- |
※ご注文の際は、『型式』の『□』に矯正線径を入れて ご注文ください。
※矯正装置には 全て当社V型ローラー(焼入れHRC60°)を使用しています。
※標準以外の異なる線径も承りますので ご相談ください。
|
※線径をクリックすると参考図面が閲覧出来ます。
|